鼎陽SIGLENT SNA5054X矢量網絡分析儀是具有多種功能的射頻測量儀器,其測量頻率高達8.5GHz,支持4端口S參數測量,差分(平衡)測量,時域測量,濾波器插入損耗、帶寬、Q值等一鍵測量,支持端口阻抗轉換、端口擴展功能,支持極限測試、紋波測試功能,支持夾具仿真和去嵌入功能,支持線性頻率掃描、對數頻率掃描、分段頻率掃描、線性功率掃描方式,支持SOLT、SOLR、TRL、Response、Enhanced Response等校準方法,并且鼎陽科技具有集頻譜分析儀和矢量網絡分析儀于一體的產品,可廣泛應用于濾波器,雙工器,天線,有源器件,射頻線纜等領域的研發,生產制造。
鼎陽SIGLENT SNA5054X矢量網絡分析儀規格參數
|
|
最高頻率 |
4.5GHz |
|
頻率分辨率 |
1Hz |
|
幅度分辨率 |
0.05dB |
|
中頻帶寬范圍 |
10Hz~3MHz |
|
輸出功率設置范圍 |
-55dBm ~ +10dBm |
|
動態范圍 |
125dB |
|
校準類型 |
響應校準,增強響應校準,單端口校準,全二端口校準,全三端口校準,全四端口校準,TRL校準 |
|
支持直流偏置功能 |
是 |
|
通信接口 |
LAN,USB Device,USB Host(USB-GPIB) |
|
遠程控制 |
SCPI / Labview / IVI based on USB-TMC / VXI-11/ Socket / Telnet / Webserver |
|
觸摸控制 |
Multi Touch,Mouse,Keyboard |
|
屏幕尺寸 |
12.1英寸 |
|
視頻輸出 |
HDMI |
|
測量分析類型 |
S參數測量,差分(平衡)測量,接收機測量,時域分析、極限測試、紋波測試、帶寬分析、阻抗轉換、端口匹配、去嵌入功能等 |
低噪聲,高動態范圍
系統動態范圍是VNA一個非常重要的指標,它是VNA源的最大輸出功率與測試端口本底噪聲的差值。鼎陽SIGLENT SNA5054X矢量網絡分析儀的動態范圍可達125dB@10Hz IFBW,接收機噪底-125dBm/Hz,可適用于對動態范圍要求比較高的測試場景,比如同時測量濾波器的通帶和帶外抑制性能。
從S參數測試到平衡-不平衡測試
鼎陽SIGLENT SNA5054X矢量網絡分析儀支持在多個窗口添加多條跡線進行全4端口S參數測試,并且具備多種顯示格式,比如 Log Mag,Lin Mag,Phase,Delay,Smith,SWR,Polar等,可以方便快捷地分析被測物的傳輸系數,反射系數,駐波比,阻抗匹配,相位,延時等參數。在生產線驗證天線,濾波器等的特性時,還可以保存參考跡線或者添加Limit模板進行通過失敗測試,有利于提高生產效率。
鼎陽SIGLENT SNA5054X矢量網絡分析儀還支持端口阻抗變換功能,比如在測試有源差分放大器時,可將輸入輸出端口進行阻抗變換,從而進行差分(平衡)測量(比如Scc,Sdd,Scd,Sdc等參數)。 此功能還可應用于差分線纜等其他差分類測試。
時域分析功能
鼎陽SIGLENT SNA5054X矢量網絡分析儀支持TDR時域反射計測量功能,可在時域對傳輸線的特征阻抗,時延等參數進行分析。
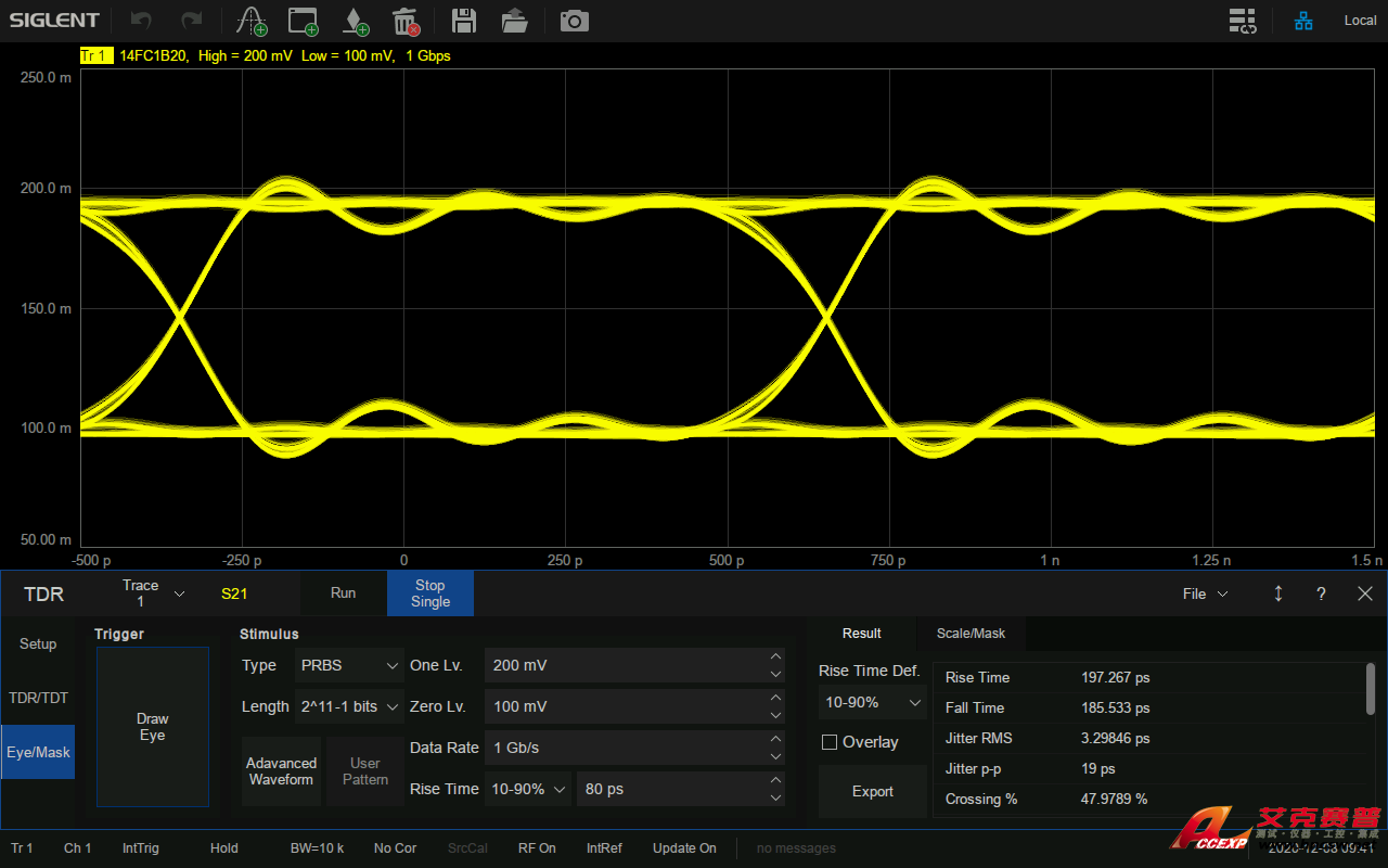
眼圖分析
鼎陽SIGLENT SNA5054X矢量網絡分析儀搭載了眼圖功能,眼圖可以反映信號鏈路上傳輸的數字信號的整體特征,從中觀察出碼間串擾和噪聲的影響,進而估計系統的優劣程度。眼圖分析是高速系統信號完整性分析的核心,為需要對高速信號進行時域分析的客戶節省了大量成本和時間。
消除夾具效應
在微波射頻領域,如何有效消除有害的測試夾具效應是一大挑戰。比如在對SMD器件進行測試時需要特定的測試夾具實現測試儀器測試端與器件輸入端的轉接,導致測試結果中包含了測試夾具的特性。目前鼎陽SIGLENT SNA5054X矢量網絡分析儀提供的去除測試夾具影響的方法主要有:端口延伸,端口匹配,端口阻抗轉換,去嵌入,適配器移除等。
校準件
校準是VNA進行可靠測量前必須進行的步驟。鼎陽科技目前可提供8種SOLT機械校準件,分為經濟級校準件和精密級校準件。校準頻率范圍涵蓋DC~9GHz,接口類型包含SMA和N型。并且鼎陽SIGLENT SNA5054X矢量網絡分析儀還可支持其他廠家的校準件及客戶自定義校準件的導入,從而保護客戶對校準件的投資。
